首頁
HOME
產品介紹
PRODUCT
最新消息
NEWS
聯絡我們
CONTACT
<
>
公司簡介
諾矩精密科技有限公司創立於 2021 年,專注於傳動零部件的生產與銷售,是業界值得信賴的解決方案提供者。我們主要代理銷售鳴志 MOONS’ 直線運動產品,並供應台灣製的微型滾珠螺桿、微型電動缸、電動微調台、變距機構等各式高精密傳動零部件。
隨著市場需求日益多元,我們持續擴展產品線,提供更完整的整合式服務,包括:
■ 客製化步進電機與驅動器開發
■ 微型精密導程螺桿設計加工生產
■ OEM / ODM線材開發生產
■ 加工件生產、組裝
■ OEM / ODM 傳動零部件開發生產
我們專精於馬達傳動與控制領域,產品廣泛應用於 3C、生物醫療、太陽能、AI、人形機器人等產業。多年來累積深厚的銷售與開發經驗,始終以客戶需求為核心,提供便捷、安心、穩定的服務,協助客戶搶占市場先機。
除了深耕國內市場,我們的產品也外銷至世界各地,並協助客戶取得相關產品認證,以因應多樣化的市場需求,提供具競爭力的在地化產品與服務。
我們以「質量穩定、服務穩定、供貨穩定、關係穩定、情緒穩定」為服務標準,堅持誠信經營,追求永續發展,積極回饋社會。從客戶角度出發,致力於成為您最可靠的精密傳動夥伴。
首頁 HOME
/ 關於諾矩 ABOUT NUOJU
首頁 HOME
/ 最新消息 NEWS
2024/4/10
5相步進電機及驅動器開始販售
下載:
5相步進電機
5相步進電機驅動器
2024/2/26
2024/3/23-3/25 諾矩精密科技員工旅遊
本公司將於3/23(六)-3/25(一)舉辦年度員工旅遊旅遊期間將暫停服務及進出貨作業。若有不便之處敬請見諒!
首頁 HOME
/ 聯絡我們 CONTACT
親愛的客戶您好,若您對我們提供的服務有任何需求或建議,
歡迎您留下寶貴的訊息!我們將儘快與您連絡!也歡迎您的
來電,謝謝您~
+886 3 287 6268
+886 3 287 6269
yuliang0401@hotmail.com
www.nuoju.com.tw
32043 桃園市中壢區元化路165巷56號12樓
首頁 HOME
/ xxx
首頁 HOME
/
產品介紹 PRODUCT
產品目錄
-
01.
微徑滾珠螺桿
-
02.
微型伺服電動缸
-
03.
直線步進電機
-
04.
步進電機驅動器
-
05.
微型電缸
-
06.
空心杯電機
-
07.
變距機構
-
08.
微型電動缸
-
09.
中空旋轉平台
-
10.
電動微調台
-
11.
SDP總線型步進驅動器
-
12.
電動夾爪
-
91.
電動微調台
-
92.
軸心式直線電機
微徑滾珠螺桿
微型伺服電動缸
直線步進電機
步進電機驅動器
微型電缸
空心杯電機
變距機構
微型電動缸
中空旋轉平台
電動微調台
SDP總線型步進驅動器
電動夾爪
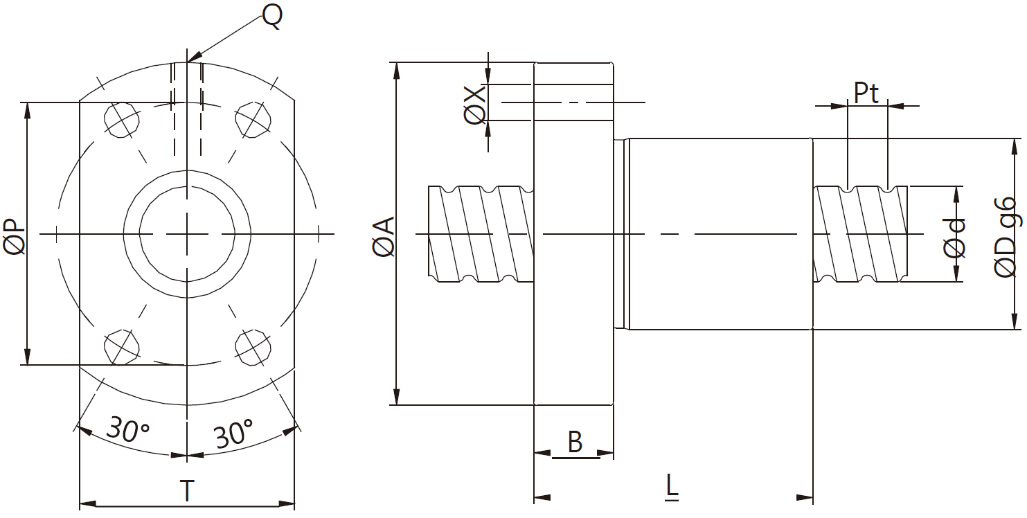
鳴志(MOONS') 微徑滾珠螺桿
滾珠螺桿是一種利用內部鋼珠的旋轉運動轉換成直線運動的機械元件,相較於傳統的螺紋螺桿,有更長的壽命、更環保、運作更穩定的特性。
交貨週期短
庫存有標準品滾珠螺桿,能夠在短期內供貨。轉造滾珠螺桿,可提供軸端完成品及軸端未加工品。
合理的價格
對於標準滾珠螺桿,通過採用大批量計畫生產的方法降低成本。
高耐久性
滾珠螺桿通過嚴格挑選的材料、適當的熱處理及高品質的產品加工技術,保持優異的耐久性。
軸向間隙小
滾珠螺桿採用哥德式拱形溝槽形狀,因此軸向間隙可以調整得極小,螺母可以輕易、平穩的運行。若加入適當預壓,可以使軸向間隙調整為零,從而提高其剛性。
台灣製轉造級滾珠螺桿
型號範例
可選擇精度: C5 , C7
Nuoju-0601
-
C5
-
80
R
121
規格
精度等級
有效牙長
右旋
螺桿全長
單位: mm
Ⓜ 產品目錄
▲ Top
微型伺服電動缸
驅控一體微型伺服系統
微型伺服電動缸是一種小型一體化直線伺服系統, 其內部集成了 高精密減速器, 高性能空心杯電機, 絲缸機構, 傳感器 以及 伺服控制系統, 在保證更小體積的基礎上實現驅控一體化.
體積小, 高精度
產品具有體積小, 精度高, 負載大等技術特點, 可以實現行程範圍內任意位置精確伺服控制, 是市面上最小的微型精密伺服運動部件.
應用領域
微型伺服電動缸是 機器人, 醫療器械, 工業設備 等精密機電設備的核心運動部件, 還可以運用到 高端醫療, 新能源, 3C半導體 以及 軍工航太 等領域中, 促使機械, 設備, 工裝治具等實現智慧化升級.
Ⓜ 產品目錄
▲ Top
鳴志(MOONS') 直線步進電機
直線步進電機可分為:外部驅動式直線步進電機(包含螺紋絲杆和滾珠絲杆),貫穿軸式直線步進電機,推杆式直線步進電機,永磁式直線步進電機。
最大推力可達1100N
標準導程從0.6到25.4mm
最高速度可達254mm/s
外部驅動式直線步進電機
外部驅動式直線步進電機的絲杠與電機轉子集成為一體,當絲杆旋轉,螺母被外部裝置固定做防旋轉時,螺母則沿著絲杠做直線運動。MOONS'提供了五種不同的基座尺寸,尺寸範圍從NEMA8-NEMA23;可選的絲杆長度從30mm-400mm;最大推力可達1050N;可選解析度範圍從 0.003 到 0.127 mm
貫穿軸直線步進電機
貫穿軸式直性步進電機,螺母與電機轉子集成為一體,絲杠軸穿過電機轉子中心。在使用時,固定絲杠並做防轉,當電機上電後轉子旋轉時,電機就會沿著絲杠做直線運動。提供NEMA8、11、14、17和23等多種基座尺寸,多種機身長度和豐富的絲杠直徑及導程可以自由選擇。
推杆式直線步進電機
推杆式直性步進電機的螺母與電機轉子集成為一體,螺杆軸穿過電機轉子中心的螺母。螺杆軸驅動一個柱塞前進和後退。柱塞由電機上的導套做支撐,這個結構可以實現轉軸(柱塞)自主前進和後退。不需要其他的 單獨輔助作用在螺杆或螺母上。提供NEMA8、11、14、17和23多種基座尺寸,多種機身長度和豐富的絲杠直徑及導程可以選擇
滾珠螺桿直線步進電機
外部驅動式滾珠絲杆直線步進電機,絲杠與電機轉子集成為一體作為電機出軸。當電機旋轉時,螺母沿著絲杠做直線運動。提供多種電機長度,多種絲杆導程,多種絲杆行程供客戶自由選擇
Ⓜ 產品目錄
▲ Top
鳴志(MOONS')步進電機驅動器
鳴志步進電機驅動器,結合DSP數位智慧控制技術,有效地抑制了步進電機在中低速應用時的噪音和共振問題,為電機帶來了更好的平滑性、低振動、低噪音及長壽命的性能表現。智慧型步進驅動器提供多種控制模式,多種工業匯流排選項更為客戶帶來了空間、成本及系統複雜度的顯著優化及降低。
SR系列 脉冲控制型步進電機驅動器
SR 系列兩相直流步進電機驅動器是基於PID 電流控制算法設計的高性價比細分型驅動器,具有優越的性能表現,高速大力矩輸出,低噪音,低振動,許多配置參數為撥碼開關可選
抗共振
步進系統的弱點之一就在於存在著固有的共振點,SR 系列驅動器自動計算共振點,並以此來調整控制演算法,從而達到抑制共振的目的。此技術極大的提高了中頻穩定性,使得高速時有更大的力矩輸出。
細分插補
在低細分脈衝之間自動插入細分,以滿足在低細分下仍能保持運動平滑,使電機有更平滑的運動表現。
輸入信號平滑
對速度和方向信號的動態濾波可以減少電機及機械系統的運動瞬變,使電機運行更加平滑,同時也可以減小機械磨損。有更穩定的系統表現。
STF系列 總線型步進電機驅動器
STF系列兩相高性能匯流排型直流步進電機驅動器,集成了智慧運動控制器功能。分別支持SCL 指令,Modbus,CANopen,eSCL 指令,EtherNet/IP,Profinet,EtherCAT 協議,Q 程式設計,可通過各種匯流排通訊指令調用。
Ⓜ 產品目錄
▲ Top
鳴志(MOONS') 微型電缸
微型電缸採用平台式結構,將貫穿式螺桿電機及高精度滾珠導軌集成一體,具有體積小,效率高,剛性強,精度高的特點,同時,選型簡單 ,交貨周期短,安裝方便
高度集成化設計,最大限度節省安裝空間
內置滾珠導軌,無須外接導軌
多方向配置螺紋孔位,便於安裝工件
適用於替換平台型氣缸
MLA 系列微型電缸
PBC&MOONS’ 為滿足客戶結構緊湊的應用需求,設計開發了 MLA 系列微型電缸。此系列產品具有體積小,效率高,剛性強,精度高的特點。同時,選型簡單,交貨週期短,安裝方便。為廣大機械設備開發者提供了配置更豐富,操作更便捷,產品一致性更好的直線運動解決方案。
多種尺寸規格,滿足不同應用場合對安裝空間。
可配置步進伺服電機,實現閉環控制。
所搭配步進電機均可配置刹車及編碼器。
提供導程豐富的螺紋絲杠和滾珠絲杠選項。
MEA 系列微型電缸
MOONS’MEA系列微型電缸採用平台式結構,將貫穿式螺桿電機及高精度滾珠導軌集成一體,具有體積小,效率高,剛性強,精度高的特點,同時,選型簡單 ,交貨周期短,安裝方便。為廣大機械設備開發者提供了配置更豐富,操作更便捷,產品一致性更好的直線運動解決方案。
高度集成化設計,最大限度節省安裝空間。
內置滾珠導軌,無須外接導軌。
多方向配置螺紋孔位,便於安裝工件。
適用於替換平台型氣缸。
MS 系列線性滑軌
MOONS 的 MS 系列線性模組將絲桿垂直於導軌排列,以最大限度地減少寬度。它結構緊湊,易於安裝。它為廣大機械設備開發商提供了配置更多、操作更方便、產品一致性更好的直線運動解決方案。
微型線性滑軌具有體積小、效果大、剛性強、精度高等特點。同時,選型簡單,交貨期短,安裝方便。
Ⓜ 產品目錄
▲ Top
鳴志(MOONS') 直線空心杯電機
產品性能:
基座規格:Φ10/13/17mm
環境溫度:0℃~+50℃
重複精度:±0.05mm
*推力、速度等技術參數依據所選電機、齒輪箱、絲杆等關鍵部件規格綜合計算,具體需參考產品規格圖紙。
產品特點:
基座直徑小,節約安裝空間
高功率電機,高效率(超高轉速18,000rpm )
法蘭及外螺紋多種安裝方式
閉環控制、運行平穩
直流無刷無齒槽電機
直流無刷無槽電機提供Ø13mm, Ø16mm, Ø22mm等多種外徑及機身長度規格,各系列均提供多種額定電壓版本,根據客戶需求提供齒輪箱、編碼器、高低速應用、高低溫環境等定制選項
直流有刷無鐵心電機
直流有刷電機提供Ø8mm~Ø24mm多種外徑及機身長度規格型號,採用空心轉子設計方案,具有高加速度、低轉動慣量、無齒槽效應、無鐵損小巧輕便等特點、非常適合頻繁啟停、對舒適度和便捷性有要求的手持應用,各系列均提供多種額定電壓版本,根據客戶需求提供齒輪箱、編碼器、高低速等應用環境定制選項
智能型驅動器
小巧和性價比高的智能驅動器
驅動器內置運動控制器
同一台驅動器可以適配直流有刷、無刷、步進和直線電機
MotionChipTM:PVT、S曲線、電子凸輪、3 階插補
提供適用於 PC&PLC 的多種運動控制函式程式庫
EasyMotion Studio
總線型
產品特性
空心杯電動機(又稱無鐵芯電機、無齒槽電機)在結構上突破了傳統電機的轉子結構形式,採用的是無鐵芯轉子。這種新穎的轉子結構徹底消除了由於鐵芯形成渦流而造成的電能損耗。同時其重量和轉動慣量大幅降低,從而減少了轉子自身的機械能損耗。由於轉子的結構變化而使電動機的運轉特性得到了改善,不但具有突出的節能特點,更為重要的是具備了鐵芯電動機所無法達到的控制和拖動特性。空心杯電動機屬於直流永磁的伺服、控制電動機,也可以將其歸類為微特電機。空心杯電動機具有靈敏方便的控制特性和穩定的運行特性,技術優勢明顯。作為高效率的能量轉換裝置,在很多領域代表了電動機的發展方向。
產品結構
空心杯電機分為有刷和無刷兩種,有刷電機轉子無鐵芯,無刷電機(又稱無刷無齒槽電機)定子無鐵芯。從下圖可以看出兩種電機的區別在於有刷空心杯電機利用碳刷(或者金屬電刷)和換向器的配合來完成換向,無刷空心杯電機沒有這種物理結構,線圈導線直接連接到控制器,通過處理連接板上的霍爾回饋的位置信號完成換向;有刷空心杯電機是線圈,換向器和連接板在外殼和永磁體中間旋轉,他們共同組成轉子。無刷空心杯的線圈是固定的,永磁鐵作為轉子在中間旋轉。鳴志目前開發出了φ13mm、φ16mm、φ22mm機座尺寸的無刷空心杯電機,電機的空載轉速可以達到15000rpm~50000rpm;在有刷空心杯產品領域,鳴志開發了φ8mm、φ10mm、φ13mm、φ16mm、φ17mm、φ24mm等眾多機座尺寸,電機的空載轉速在10000rpm~16000rpm,空心杯電機在搭配不同速比的減速機和不同解析度的編碼器後,也可以作為力矩電機以及位置回饋的裝置使用
產品應用
由於空心杯電動機避開了有鐵芯電動機多種技術弊端,而且其突出的特點集中在電動機的主要性能方面,使其具備了廣闊的應用領域。尤其是隨著工業技術的飛速發展,對電動機的伺服特性不斷提出更高的期望和要求,使空心杯電動機在很多應用場合擁有不可替代的地位。空心杯電動機的應用,從軍事、高科技領域進入大工業和民用領域後,十多年來得到迅速的發展,尤其是在工業發達國家,已經涉及到大部分行業和許多產品。
1、需要快速回應的隨動系統。如導彈的飛行方向快速調節,高倍率光碟機的隨動控制,快速自動調焦,高靈敏的記錄和檢測設備,工業機器人,仿生義肢等,空心杯電動機能很好地滿足其技術要求。
2、對驅動元件要求平穩持久拖動的產品。如各類可擕式的儀器儀錶,個人隨身裝備,野外作業的儀器設備,電動車、玩具車、電動牙刷等,同樣一組電源,供電時間可以延長一倍以上。
3、各種飛行器,包括航空、航太、航模等。利用空心杯電動機重量輕,體積小,能耗低的優點,可以很大程度地減輕飛行器的重量。
4、各種各樣的民用電器、工業產品。採用空心杯電動機作為執行元件。
Ⓜ 產品目錄
▲ Top
Nuoju 變距機構
產品特性
使用壽命長
長期簡易維護
高速
裝配容易
多樣化系列
Nuoju 變距機構
Nuoju Precision本著多年創新技術,基於靈活運用於各種產業的經驗,研發出結構緊湊小型且高精度變距機制,可提供高速以及長時間和穩定運行的操作。PM Pitch Changer是貴公司一定要採用的利器。
IC TRAY to TRAY 圖例
輸送帶收料整列說明
同步變距搭配電動缸實例
ROBOT安裝實例
Ⓜ 產品目錄
▲ Top
Nuoju 微型電動缸
MHSB系列,應用於高精度往返動作使用,可選擇對應的閉迴路步進馬達,可不使用外部檢知器,即達到原點與正負極限的偵測,一併解決體積與大小的問題,提升客戶整體使用的方便性
MHQ系列,應用於高精度『旋轉』與『直線』動作來使用,可選擇對應的高精度直線電動缸來搭配使用,或客戶也可自行搭配所需要的電動缸來使用, 並內建真空氣室,提昇客戶完整的使用方案與便利性。
MHSB25高精度直線電動缸
特性
軌道內藏,具備高剛性
外形高度小型化
導程多樣式選擇
輕量化設計,50行程僅200g
無塵室對應OK
MHQ25高精度旋轉電動缸
特性
旋轉高剛性
直線旋轉小型化,旋轉配備真空功能
機器視覺對位OK
高精度的旋轉背隙 < 2 Arc/sec
直線25/50mm行程+360度任意一體化實現
Ⓜ 產品目錄
▲ Top
Nuoju 中空旋轉平台
中空旋轉平臺是一種全新的旋轉負載裝置。 它集高傳動效率,高精度,高剛性,高性價比於一身,綜合了伺服馬達、凸輪分割器和DD馬達的優勢,充分在這些產品之間取得一種平衡,相比起其他同類傳動定位產品,它既能滿足伺服馬達不能做到的[對載重的直接負荷],又能彌補分割器無法對任意角度定位的不足[實現對任意角度的定位],精度上還能媲美DD馬達,但成本又比DD馬達低廉很多。搭配伺服馬達來使用,完全能夠滿足您對圓周定位控制的要求。
中空旋轉平台的應用案例
利用中心孔高精度定位用途
負載慣性會改變的用途
高精度定位用途
施以慣量載重的用途
Ⓜ 產品目錄
▲ Top
Nuoju 電動微調台
電動微型滑台以交叉滾柱導軌做微量驅動定位,有中碳鋼及鋁合金兩種材質供用戶選用。
可單軸、XY軸組配,亦可搭配Z軸與θ軸
行程可手動亦可自動(電動)調整
精度高,體積小
可大量應用於視覺檢查定位、CCD鏡頭移動定位。
Ⓜ 產品目錄
▲ Top
SDP總線型步進電機驅動器
斯達普是一家中國企業,成立於20世紀90年代末,專業從事電機驅動和運動控制的產品研發、生產和銷售。斯達普基於產品領域的專長,和對客戶需求的精准把握,我們已將產品廣泛運用於半導體設備、醫療設備、電子生產設備、機器人等諸多行業
通訊型步進驅動器的典型應用
支持多項通訊協議
CClink
CClink IE TSN
CClink IE Basic
Modbus/RTU
EtherCAT
PROFINET
CANOPEN
Mechatrolink
Ⓜ 產品目錄
▲ Top
電動夾爪
功能
抓 取
夾 持
搬 運
吸 取
旋 轉
裝 配
定 位
移 位
升 降
測 試
參數範圍:
夾持力範圍:1-500N
行程範圍:6-90mm
最快開合時間:0.2s/0.2s
極限最薄尺寸:20mm
最高防護等級:IP67
抓取回饋,掉落檢測,斷電自鎖,組網應用
無需氣源,千萬次免維護
產品特點
產品應用
Ⓜ 產品目錄
▲ Top
AirTAC微型線性滑軌的優勢
原廠證明
微型線軌從研發到生產製造,皆在台灣現代化工廠生產與出貨,產地保證,品質無虞。
材質證明
線軌原素材入料前均使用專業化學成份分析儀,嚴格檢驗管控,確保原物料成份符合標準規範。
工藝優勢
產線垂直整合,由熱處理製程,到三面研磨技術,全自動化組裝線,一條龍完整掌握,品質穩定。
交期保證
供貨穩定,不受原物料波動影響。
售後保固
產品保固期18個月,業界第一。
微型線性滑軌
線性滑軌係為一種滾動導引,藉由鋼珠在滑塊與滑軌之間作無限滾動循環,負載平台能沿著滑軌輕易地以高精度作線性運動。
線性滑軌優點及特點:定位精度高、磨耗少能長時間維持精度、適用高速運動且大幅降低機台所需驅動馬力、可同時承受上下左右方向的負荷、組裝容易並具互換性、潤滑構造簡單
LRM系列微型線性滑軌提供高級(H)、精密級(P)共兩種精度等級供使用者選用
滑塊型號說明
滑軌型號說明(整支)
滑塊構造說明
Ⓜ 產品目錄
▲ Top